Модуль ввода-вывода дискретных сигналов LOGO! DM8 230R

Модуль расширения LOGO! DM8 230R, заказной номер 6ED1055-1FB00-0BA1:
- Параметры питания: ~=115-240В;
- Количество дискретных входов: 4;
- Количество транзисторных выходов: 4 (нормально разомкнутые реле).
Цена: от 2 394 руб.
Общее описание

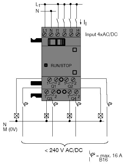
- 1.Источник питания
- 2-3. Входы и выходы
- 4. Индикатор типа RUN/STOP
- 5. Интерфейс расширения
- 6. Штифты механической кодировки
- 7. Гнезда механической кодировки
- 8. Специальная защелка/фиксатор
Особенности схемы и возможности подключения модулей расширения к LOGO!DM8 230R

Расшифровка нижеприведенных обозначений:
- «х» - подключение приемлемо,
- «-» - подключить нельзя.

Специфика монтажа модуля LOGO!DM8 230R

Поэтапный монтаж на DIN-рейку:
1. На первом этапе осуществления монтажных работ следует навесить модуль на рейку;
2. Путем нажимания на нижнюю часть, срабатывает специальная защелка модуля, выполняется надежная его фиксация (защелка расположена на задней части прибора);
3. С правой стороны модуля находится крышка разъема, которую необходимо снять;
4. С правой стороны от LOGO!Basic помещается модуль на DIN-рейку;
5. Перемещаем модуль в левую сторону таким образом, чтобы последний контактировал с LOGO!Basic;
6. Посредством отвертки защелка отодвигается влево, после чего она должна занять крайнее левое положение.
Монтаж дополнительного оборудования выполняется путем поэтапного повторения всех пунктов, относящихся к монтажу цифрового модуля.
Поэтапный монтаж на стену:
Аккуратно переместите монтажные защелки наружу, как правило, они расположены на задней стенки устройства. Непосредственно монтаж модуля выполняется при помощи двух монтажных защелок и двух винтов ØM4 (момент затяжки 0,8-1,2Нм).
Технические характеристики LOGO!DM8 230R:
|
Блок питания: |
|
|---|---|
|
Входное напряжение |
115...240В постоянный/переменный ток |
|
Допустимый диапазон |
85...265В перем.тока |
|
Допустимая частота сети |
47...63Гц |
|
Потребление тока |
10…40мА |
|
Буферизация исчезновения напряжения |
тип. 10мс |
|
Мощность потерь при |
1,1...4,6Вт |
|
Буферизация часов в условиях 25°C |
тип. 80час. |
|
Точность опции часов реального времени |
тип. ±2 с/день |
|
Цифровые входы: |
|
|
Количество |
8 |
|
Потенциальная развязка |
Нет |
|
Входное напряжение L1 |
< 40В перем. ток |
|
Входной ток при |
< 0,03мА |
|
Время задержки при |
тип. 50мс |
|
Длина линии (неэкранированной) |
100м |
|
Цифровые выходы: |
|
|
Количество |
4 |
|
Тип выходов |
Релейные выходы |
|
Потенциальная развязка |
да |
|
Группами по |
1 |
|
Управление цифровым входом |
да |
|
Длительный ток Ith |
10A на реле (max) |
|
Нагрузка из ламп накаливания (25 000 циклов переключения) при: |
1000Вт |
|
Люминесцентные лампы с дросселем (25000 циклов переключения) |
10 x 58Вт (при 230/240В перем. ток) |
|
Люминесцентные лампы с обычной компенсацией |
1 x 58Вт (при 230/240В перем. ток) |
|
Люминесцентные лампы, некомпенсированные (25000 циклов переключения) |
10 x 58 Вт (при 230/240В перем. ток) |
|
Устойчивость к коротким замыканиям при cos = 1 |
Защита по питанию B16 600A |
|
Устойчивость к коротким замыканиям при cos от 0,5 до 0,7 |
Защита по питанию B16 900A |
|
Понижение номинала |
нет; во всем диапазоне температур |
|
Параллельное включение выходов для увеличения мощности |
Не допускается |
|
Защита выходного реле (если желательна) |
max 16A, характеристика B16 |
|
Частота включений: |
|
|
механическая |
10Гц |
|
омическая/ламповая нагрузка |
2Гц |
|
индуктивная нагрузка |
0,5Гц |