info@mehprivod.ru
ООО Мехтехника
Тел.: 8 (800) 505-36-88

Электродвигатели Siemens типа 1LF7

Электродвигатели Siemens типа 1LF7

Электродвигатели Siemens типа 1LF7однофазные асинхронные электродвигатели обеспечивают выполнение различных приводных задач используя стандартное питание сети 50 Гц 220В. Устройство электродвигателя базируется на ведущих технических разработках. Разработчики компании Siemens предлагают покупателям и заказчикам модель электродвигателя 1LF7, основными ее преимуществами, кроме высокой эффективности работы, выступают компактные размеры и универсальность. Компания уже не первый год является лидером рынка приводной техники, так как предлагает надежное оборудование и в максимально полной степени учитывает пожелания и требования заказчиков. Гарантом качества электродвигателей выступает контроль качества, который выполняется на каждом этапе их производства. Применение специальных систем контроля исключает риски поступления к потребителю некачественной продукции. Технологические особенности конструкции гарантируют безопасную работу системы на протяжении длительного промежутка времени.

Цена: от 3 520 руб.

Скачать прайс: xls zip

Технические характеристики электродвигателей типа 1LF7

P, кВт Габарит Тип n, об/мин КПД, % cos φ I, A Mz/Mn Iz/In Mmax/Mn Cb, мФ Масса, кг
0,09 56 1LF7050-2AB 2870 63 0,98 0,63 0,83 4,2 2,1 3 3,5
0,12 56 1LF7053-2AB 2820 62 0,98 0,86 0,76 3,3 1,6 4 3,51
0,18 63 1LF7060-2AB 2895 62 0,94 1,34 0,51 2,5 4,3 5 4,17
0,25 63 1LF7063-2AB 2850 68 0,99 1,6 0,49 1,9 4,3 8 4,97
0,37 71 1LF7070-2AB 2895 65 0,87 2,85 0,5 2,7 4,2 12 5,5
0,55 71 1LF7073-2AB 2860 65 0,89 4,15 0,42 2,1 4 16 7,24
0,75 80 1LF7080-2AB 2905 74 0,97 4,5 0,32 2,36 5,6 16 8,8
1,1 80 1LF7083-2AB 2910 78 0,98 6,25 0,35 2,53 6,1 25 10,5
1,5 90 1LF7090-2AB 2900 74 0,97 9,1 0,42 3,13 6,2 40 13,4
2,2 90 1LF7096-2AB 2810 72 0,98 13,6 0,37 1,75 4,5 50 16,1
3 100 1LF7106-2AB 2840 77 0,97 17,5 0,41 2,5 5,1 60 23,1
0,06 56 1LF7050-4AB 1420 55 0,89 0,53 0,44 2,75 1,71 2 3,5
0,09 56 1LF7053-4AB 1405 53 0,96 0,77 0,54 2,2 1,58 4 3,5
0,12 63 1LF7060-4AB 1415 58 0,9 1 0,38 1,57 2,6 4 4,14
0,18 63 1LF7063-4AB 1385 58 0,86 1,57 0,54 1,66 2,55 5 4,89
0,25 71 1LF7070-4AB 1400 59 0,99 1,86 0,54 1,58 2,3 10 5,28
0,37 71 1LF7073-4AB 1400 64 0,95 2,6 0,52 1,6 2,5 14 7,53
0,55 80 1LF7080-4AB 1415 69 0,98 3,5 0,5 1,7 3 14 8,8
0,75 80 1LF7083-4AB 1405 71 0,96 4,8 0,4 1,64 3,1 20 10,1
1,1 90 1LF7090-4AB 1420 74 0,98 6,6 0,37 1,78 3,1 30 12,7
1,5 90 1LF7096-4AB 1430 77 0,97 8,7 0,35 1,8 3,7 40 15,9
2,2 100 1LF7106-4AB 1395 73 0,98 13,4 0,43 1,92 3,6 60 25,7

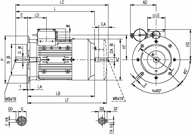
Габаритные и присоединительные размеры (лапы) 1LF7

Рис. 1 Габаритные и присоединительные размеры (лапы)

Табл. 2 Габаритные и присоединительные размеры (лапы)

тип А АА АВ АС AD B B1 BB C CA CA1 H HA HD HF K
1LF705 90 25 110 116 94 71 - 87 36 53 - 56 6 157 77,5 5,8
1LF7060 1LF7063 100 27 120 118 94 80 - 96 40 66 - 63 7 164 77,5 7
92 -
1LF707 112 30,5 132 139 94,5 90 - 106 45 83 - 71 7 182 87,5 7
1LF708 1LF7083-4,6 125 30,5 150 156,5 103,5 100 - 118 50 94 - 80 8 200 96,5 9,5
137 -
1LF709 1LF7096-2 140 30,5 165 173,5 109 100 125 143 56 143 118 90 10 218 104,5 10
186 161
1LF710 160 42 196 196 138 140 - 176 63 -   100 12 263 123 12
тип KA L* LC LD LG W D DA E EA F FA G GB GD GF
1LF705 9 169 200 69,5 75 M25×1,5 9 9 20 20 3 3 7,2 7,2 3 3
1LF7060 1LF7063 10 202,5 232 69,5 75 M25×1,5 11 11 23 23 4 4 8,5 8,5 4 4
228,5 258
1LF707 10 240 278 63,5 75 M25×1,5 14 14 30 30 5 5 11 11 5 5
1LF708 1LF7083-4,6 13,5 273,5 324 63,5 75 M25×1,5 19 19 40 40 6 6 15,5 15,5 6 6
316 366,5
1LF709 1LF7096-2 14 331 389 79 75 M25×1,5 24 19 50 50 8 6 20 15,5 7 6
374 432
1LF710 16 425 - 102 120 M32×1,5 28 28 60 60 8 8 24 24 7 7

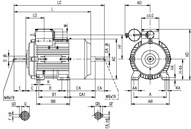
Рис. 2 Габаритные и присоединительные размеры (фланец IMB 5)

Рис. 2 Габаритные и присоединительные размеры (фланец IMB 5)

Табл. 3 Габаритные и присоединительные размеры (фланец IMB 5)

Тип Типо- размер AC AD HF HG L* LA LB* LC LD LF LG M N
1LF705. FF100 116 94 77,5 101 169 8 149 200 69,5 - 75 100 80
1LF7060 1LF7063 FF115 118 94 77,5 101 202,5 228,5 8 179,5 205,5 232  258 69,5 208,5 234,5 75 115 95
1LF707. FF130 139 94,5 87,5 111 240 9,5 210 278 63,5 239 75 130 110
1LF708. 1LF7083-4,6 FF165 156,5 103,5 96,5 120 273,5 316 10 233,5    276 324  366,5 63,5 262,5   305 75 165 130
1LF709. 1LF7096-2 FF130 173,5 109 104,5 128 331   374 10 281     324 389  432 79 333  376 75 165 130
1LF710. FF215 196 138 123 163 425 11 365 - 102 416 120 215 180
Тип P S T W D DA E EA F FA G GB GD GF
1LF705. 120 7 3 M 25х1,5 9 9 20 20 3 3 7,2 7,2 3 3
1LF7060 1LF7063 140 10 3 M 25х1,5 11 11 23 23 4 4 8,5 8,5 4 4
1LF707. 160 10 3,5 M 25х1,5 14 14 30 30 5 5 11 11 5 5
1LF708. 1LF7083-4,6 200 12 3,5 M 25х1,5 19 19 40 40 6 6 15,5 15,5 6 6
1LF709. 1LF7096-2 200 12 3,5 M 25x1,5 24 19 50 40 8 6 20 15,5 7 6
1LF710. 250 14,5 4 M 32x1,5 28 28 60 60 8 8 24 24 7 7

Присоединительные размеры фланца IMB 14 (меньший)

Рис. 3 Присоединительные размеры фланца IMB 14 (меньший)

Табл. 4 Присоединительные размеры фланца IMB 14 (меньший)

Типоразмер Обозначение фланца M N P RA S T
56 FT65 65 50 80 46 M5 2,5
63 FT75 75 60 90 14 M5 2,5
71 FT85 85 70 105 16 M6 2,5
80 FT100 100 80 120 16 M6 3
90 FT115 115 95 140 21 M8 3

Присоединительные размеры фланца IMB 14 (больший) к 1LF7

Рис. 4 Присоединительные размеры фланца IMB 14 (больший)

Табл. 5 Присоединительные размеры фланца IMB 14 (больший)

Типоразмер Обозначение фланца M N P RA S T
56 FT85 85 70 105 16 M6 2,5
63 FT100 100 80 120 16 M6 3
71 FT115 115 95 140 16 M8 3
80 FT130 130 110 160 22 M8 3,5
90 FT130 130 110 160 22 M8 3,5